定制谐波减速器轴承
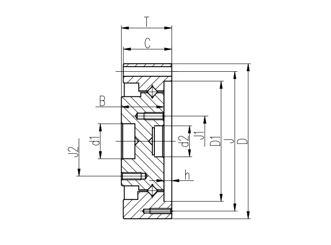
尺寸参数
产品介绍

工业机器人轴承CSD型参数型号表
轴承型号 |
外形尺寸 |
|||||||
d1 |
d2 |
D |
T |
C |
B |
h |
|
|
单位:mm | ||||||||
CSD—14 |
12 |
11 |
55 |
16.6 |
16.1 |
13.9 |
2.7 |
42.5 |
CSD—17 |
14 |
11 |
62 |
16.6 |
16.1 |
13.9 |
2.7 |
49.7 |
CSD—20 |
18 |
16 |
70 |
18.3 |
17.8 |
15.6 |
2.7 |
57 |
CSD—25 |
24 |
20 |
85 |
23.4 |
22.9 |
20 |
3.4 |
73 |
CSD—32 |
32 |
30 |
112 |
24.5 |
23.5 |
20.9 |
3.6 |
95.3 |
CSD—40 |
36 |
32 |
126 |
29.1 |
28.1 |
24.6 |
4.5 |
109.6 |
CSD—50 |
48 |
44 |
157 |
34 |
33 |
29.4 |
4.6 |
138 |
注:因为安装孔的位置比较复杂,如要订货请索要确认图纸。

外圈安装孔 |
内圈安装孔 |
基本额定载荷 |
质量 |
||||||
中心径J |
安装孔尺寸1 |
安装孔尺寸2 (密封反面) |
中心径J2 |
安装孔尺寸1 (密封正面) |
中心径J1 |
安装孔尺寸2 (密封反面) |
|
|
KG |
KN |
KN |
||||||||
49 |
6-φ3.5 |
3-M2(丝深5) |
25 |
10-M3(丝深7) |
17 |
6-M3(丝深7) |
7 |
9.1 |
0.24 |
56 |
10-φ3.5 |
5-M2(丝深5) |
27 |
8-M5(丝深8) |
19.5 |
8-M4(丝深8) |
7.6 |
10.7 |
0.3 |
64 |
12-φ3.5 |
4-M2(丝深5) |
34 |
8-M6(丝深9) |
24 |
8-M4(丝深8) |
8.5 |
13.4 |
0.42 |
79 |
18-φ3.5 |
6-M2(丝深5) |
42 |
8-M8(丝深12) |
30 |
8-M5(丝深9) |
13.8 |
21.6 |
0.8 |
104 |
18-φ4.5 |
6-M3(丝深7) |
57 |
10-M8(丝深12) |
41 |
6-M6(丝深11) |
12.5 |
35.6 |
1.4 |
117.5 |
18-φ5.6 |
6-M3(丝深8) |
72 |
10-M10(丝深12) |
48 |
6-M8(丝深11) |
35.5 |
71.2 |
2.1 |
147 |
22-φ6.6 |
4-M3(丝深8) |
88 |
10-M12(丝深18) |
62 |
6-M10(丝深18) |
49.5 |
85 |
3.8 |

18568992278