公制深沟球薄壁轴承(C型)
尺寸参数
产品介绍
公制深沟球薄壁轴承(C型)

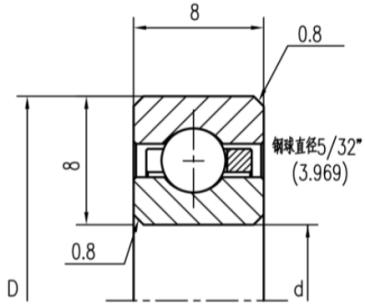
8mm系列 | |||||||
型号 |
尺寸(mm) |
径向载荷(N) |
重量 |
对应型号 |
|||
内径 |
外径 |
宽度 |
静载荷 |
动载荷 |
Kg |
Kaydon |
|
PK02508C |
25 |
41 |
8 |
303 |
255 |
0.06 |
K02508C |
PK05008C |
50 |
66 |
8 |
556 |
350 |
0.08 |
K05008C |
PK06008C |
60 |
76 |
8 |
656 |
384 |
0.09 |
K06008C |
PK07008C |
70 |
86 |
8 |
758 |
417 |
0.1 |
K07008C |
PK08008C |
80 |
96 |
8 |
859 |
448 |
0.11 |
K08008C |
PK09008C |
90 |
106 |
8 |
959 |
478 |
0.13 |
K09008C |
PK10008C |
100 |
116 |
8 |
1061 |
507 |
0.14 |
K10008C |
PK11008C |
110 |
126 |
8 |
1162 |
534 |
0.15 |
K11008C |
PK12008C |
120 |
136 |
8 |
1262 |
561 |
0.16 |
K12008C |
PK13008C |
130 |
146 |
8 |
1364 |
588 |
0.18 |
K13008C |
PK14008C |
140 |
156 |
8 |
1465 |
613 |
0.19 |
K14008C |
PK15008C |
150 |
166 |
8 |
1565 |
638 |
0.2 |
K15008C |
PK16008C |
160 |
176 |
8 |
1666 |
662 |
0.2 |
K16008C |
PK17008C |
170 |
186 |
8 |
1767 |
686 |
0.2 |
K17008C |
PK18008C |
180 |
196 |
8 |
1868 |
709 |
0.21 |
K18008C |
PK19008C |
190 |
206 |
8 |
1944 |
725 |
0.21 |
K19008C |
PK20008C |
200 |
216 |
8 |
2045 |
748 |
0.22 |
K20008C |
PK25008C |
250 |
266 |
8 |
2550 |
853 |
0.28 |
K25008C |
PK30008C |
300 |
316 |
8 |
3055 |
949 |
0.35 |
K30008C |
PK32008C |
320 |
336 |
8 |
3257 |
985 |
0.39 |
K32008C |
PK34008C |
340 |
356 |
8 |
3459 |
1016 |
0.42 |
K34008C |
PK36008C |
360 |
376 |
8 |
3636 |
1050 |
0.46 |
K36008C |

13mm系列 | |||||||
型号 |
尺寸(mm) |
径向载荷(N) |
重量 |
对应型号 |
|||
内径 |
外径 |
宽度 |
静载荷 |
动载荷 |
Kg |
Kaydon |
|
PK02513C |
25 |
51 |
13 |
517 |
535 |
0.11 |
K02513C |
PK05013C |
50 |
76 |
13 |
905 |
697 |
0.18 |
K05013C |
PK06013C |
60 |
86 |
13 |
1099 |
775 |
0.21 |
K06013C |
PK07013C |
70 |
96 |
13 |
1228 |
819 |
0.24 |
K07013C |
PK08013C |
80 |
106 |
13 |
1358 |
862 |
0.26 |
K08013C |
PK09013C |
90 |
116 |
13 |
1551 |
931 |
0.29 |
K09013C |
PK10013C |
100 |
126 |
13 |
1681 |
971 |
0.32 |
K10013C |
PK11013C |
110 |
136 |
13 |
1875 |
1035 |
0.35 |
K11013C |
PK12013C |
120 |
146 |
13 |
2004 |
1073 |
0.38 |
K12013C |
PK13013C |
130 |
156 |
13 |
2133 |
1110 |
0.41 |
K13013C |
PK14013C |
140 |
166 |
13 |
2327 |
1169 |
0.44 |
K14013C |
PK15013C |
150 |
176 |
13 |
2456 |
1204 |
0.46 |
K15013C |
PK16013C |
160 |
186 |
13 |
2586 |
1239 |
0.49 |
K16013C |
PK17013C |
170 |
196 |
13 |
2780 |
1294 |
0.52 |
K17013C |
PK18013C |
180 |
206 |
13 |
2909 |
1327 |
0.55 |
K18013C |
PK19013C |
190 |
216 |
13 |
3038 |
1360 |
0.58 |
K19013C |
PK20013C |
200 |
226 |
13 |
3232 |
1411 |
0.61 |
K20013C |
PK25013C |
250 |
276 |
13 |
4008 |
1598 |
0.75 |
K25013C |
PK30013C |
300 |
326 |
13 |
4719 |
1754 |
0.89 |
K30013C |
PK32013C |
320 |
346 |
13 |
5042 |
1823 |
0.95 |
K32013C |
PK34013C |
340 |
366 |
13 |
5365 |
1889 |
1.01 |
K34013C |
PK36013C |
360 |
386 |
13 |
5688 |
1954 |
1.06 |
K36013C |

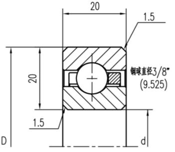
20mm系列 | |||||||
型号 |
尺寸(mm) |
径向载荷(N) |
重量 |
对应型号 |
|||
内径 |
外径 |
宽度 |
静载荷 |
动载荷 |
Kg |
Kaydon |
|
PK02520C |
25 |
65 |
20 |
1018 |
1178 |
0.34 |
K02520C |
PK05020C |
50 |
90 |
20 |
1600 |
1410 |
0.51 |
K05020C |
PK06020C |
60 |
100 |
20 |
1745 |
1452 |
0.58 |
K06020C |
PK07020C |
70 |
110 |
20 |
2036 |
1573 |
0.65 |
K07020C |
PK08020C |
80 |
120 |
20 |
2181 |
1617 |
0.72 |
K08020C |
PK09020C |
90 |
130 |
20 |
2473 |
1730 |
0.8 |
K09020C |
PK10020C |
100 |
140 |
20 |
2618 |
1773 |
0.86 |
K10020C |
PK11020C |
110 |
150 |
20 |
2909 |
1880 |
0.94 |
K11020C |
PK12020C |
120 |
160 |
20 |
3200 |
1982 |
1.01 |
K12020C |
PK13020C |
130 |
170 |
20 |
3345 |
2023 |
1.08 |
K13020C |
PK14020C |
140 |
180 |
20 |
3636 |
2121 |
1.15 |
K14020C |
PK15020C |
150 |
190 |
20 |
3781 |
2161 |
1.2 |
K15020C |
PK16020C |
160 |
200 |
20 |
4072 |
2254 |
1.3 |
K16020C |
PK17020C |
170 |
210 |
20 |
4363 |
2293 |
1.4 |
K17020C |
PK18020C |
180 |
220 |
20 |
4508 |
2383 |
1.5 |
K18020C |
PK19020C |
190 |
230 |
20 |
4800 |
2470 |
1.5 |
K19020C |
PK20020C |
200 |
240 |
20 |
4945 |
2507 |
1.5 |
K20020C |
PK25020C |
250 |
290 |
20 |
6108 |
2821 |
2.1 |
K25020C |
PK30020C |
300 |
340 |
20 |
7272 |
3111 |
2.3 |
K30020C |
PK32020C |
320 |
360 |
20 |
7708 |
3213 |
2.42 |
K32020C |
PK34020C |
340 |
380 |
20 |
8144 |
3312 |
2.54 |
K34020C |
PK36020C |
360 |
400 |
20 |
8581 |
3408 |
2.7 |
K36020C |

18568992278