密封深沟球等截面薄壁轴承(C型)
C型密封深沟球等截面薄壁轴承概述
深沟球轴承结构简单,与别的类型相比易于达到较高的制造精度,所以便于成系列大批量生产,制造成本也较低,使用普遍。选取较大的径向游隙时轴向承载能力增加,承受纯径向...
尺寸参数
产品介绍
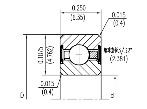
C型密封深沟球等截面薄壁轴承型号参数
◆JHA SERIES

JHA深沟球密封薄截面轴承的型号参数
| 型号 | 尺寸(mm) | 载荷(N) | 重量 | |||
| d | D | H | Cor | Cr | Kg | |
| NJHA10CP0 | 25.400 | 34.925 | 6.350 | 1290 | 670 | 0.016 |
| NJHA15CP0 | 38.100 | 47.625 | 6.350 | 1780 | 800 | 0.024 |
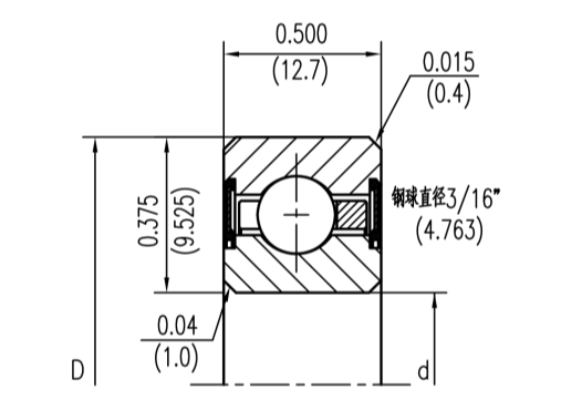
◆JA SERIES

JA深沟球密封薄截面轴承的型号参数
| 型号 | 尺寸(mm) | 载荷(N) | 重量 | |||
| d | D | H | Cor | Cr | Kg | |
| JA020CP0 | 50.800 | 63.500 | 6.350 | 3020 | 1420 | 0.045 |
| JA025CP0 | 63.500 | 76.200 | 6.350 | 3690 | 1600 | 0.054 |
| JA030CP0 | 76.200 | 88.900 | 6.350 | 4400 | 1820 | 0.064 |
| JA035CP0 | 88.900 | 101.600 | 6.350 | 5070 | 2000 | 0.077 |
| JA040CP0 | 101.600 | 114.300 | 6.350 | 5730 | 2130 | 0.086 |
| JA042CP0 | 107.950 | 120.650 | 6.350 | 6090 | 2220 | 0.091 |
| JA045CP0 | 114.300 | 127.000 | 6.350 | 6400 | 2310 | 0.095 |
| JA047CP0 | 120.650 | 133.350 | 6.350 | 6760 | 2400 | 0.100 |
| JA050CP0 | 127.000 | 139.700 | 6.350 | 7070 | 2490 | 0.104 |
| JA055CP0 | 139.700 | 152.400 | 6.350 | 7780 | 2620 | 0.113 |
| JA060CP0 | 152.400 | 165.100 | 6.350 | 8450 | 2800 | 0.127 |
| JA065CP0 | 165.100 | 177.800 | 6.350 | 9110 | 2930 | 0.136 |
◆JB SERIES

JB深沟球密封薄截面轴承的型号参数
| 型号 | 尺寸(mm) | 载荷(N) | 重量 | |||
| d | D | H | Cor | Cr | Kg | |
| JB020CP0 | 50.800 | 66.700 | 7.938 | 4130 | 2000 | 0.068 |
| JB025CP0 | 63.500 | 79.375 | 7.938 | 5070 | 2310 | 0.086 |
| JB030CP0 | 76.200 | 92.075 | 7.938 | 5960 | 2580 | 0.100 |
| JB035CP0 | 88.900 | 104.775 | 7.938 | 6850 | 2800 | 0.122 |
| JB040CP0 | 101.600 | 117.475 | 7.938 | 7780 | 3070 | 0.136 |
| JB042CP0 | 107.950 | 123.825 | 7.938 | 8130 | 3160 | 0.141 |
| JB045CP0 | 114.300 | 130.175 | 7.938 | 8670 | 3290 | 0.154 |
| JB047CP0 | 120.650 | 136.525 | 7.938 | 9020 | 3380 | 0.159 |
| JB050CP0 | 127.000 | 142.875 | 7.938 | 9560 | 3510 | 0.168 |
| JB055CP0 | 139.700 | 155.575 | 7.938 | 10490 | 3730 | 0.181 |
| JB060CP0 | 152.400 | 168.275 | 7.938 | 11380 | 3960 | 0.200 |
| JB065CP0 | 165.100 | 180.975 | 7.938 | 12270 | 4130 | 0.213 |
◆JU SERIES

JU深沟球密封薄截面轴承的型号参数
| 型号 | 尺寸(mm) | 载荷(N) | 重量 | |||
| d | D | H | Cor | Cr | Kg | |
| JU040CP0 | 101.600 | 120.650 | 12.700 | 9340 | 3910 | 0.249 |
| JU042CP0 | 107.950 | 127.000 | 12.700 | 9870 | 4090 | 0.263 |
| JU045CP0 | 114.300 | 133.350 | 12.700 | 10400 | 4220 | 0.277 |
| JU047CP0 | 120.650 | 139.700 | 12.700 | 10940 | 4360 | 0.295 |
| JU050CP0 | 127.000 | 146.050 | 12.700 | 11510 | 4490 | 0.308 |
| JU055CP0 | 139.700 | 158.750 | 12.700 | 12580 | 4800 | 0.336 |
| JU060CP0 | 152.400 | 171.450 | 12.700 | 13650 | 5070 | 0.367 |
| JU065CP0 | 165.100 | 184.150 | 12.700 | 14740 | 5330 | 0.395 |
| JU070CP0 | 177.800 | 196.850 | 12.700 | 15780 | 5560 | 0.422 |
| JU075CP0 | 190.500 | 209.550 | 12.700 | 16850 | 5820 | 0.449 |
| JU080CP0 | 203.200 | 222.250 | 12.700 | 17910 | 6050 | 0.481 |
| JU090CP0 | 228.600 | 247.650 | 12.700 | 20050 | 6530 | 0.535 |
| JU100CP0 | 254.000 | 273.050 | 12.700 | 22180 | 6980 | 0.594 |
| JU110CP0 | 279.400 | 298.450 | 12.700 | 24310 | 7420 | 0.649 |
| JU120CP0 | 304.800 | 323.850 | 12.700 | 26450 | 7870 | 0.708 |
◆JG SERIES

JG深沟球密封薄截面轴承的型号参数
| 型号 | 尺寸(mm) | 载荷(N) | 重量 | |||
| d | D | H | Cor | Cr | Kg | |
| JG120CP0 | 304.800 | 355.600 | 25.400 | 94860 | 37830 | 4.218 |
| JG140CP0 | 355.600 | 406.400 | 25.400 | 109440 | 41600 | 4.899 |
| JG160CP0 | 406.400 | 457.200 | 25.400 | 124060 | 45250 | 5.579 |
| JG180CP0 | 457.200 | 508.000 | 25.400 | 138640 | 48720 | 6.214 |
| JG200CP0 | 508.000 | 558.800 | 25.400 | 153220 | 52100 | 7.167 |

18568992278