四点接触球等截面薄壁轴承(X型)
等截面薄壁轴承是一个由七个开式系列,五个密封系列组成。开式系列有三种类型:径向接触C型、角接触型A型和四点接触X型。薄壁等截面轴承优点:薄壁型轴承实现了极薄型的轴承断面,也实现了产品的小型化、轻量化。...
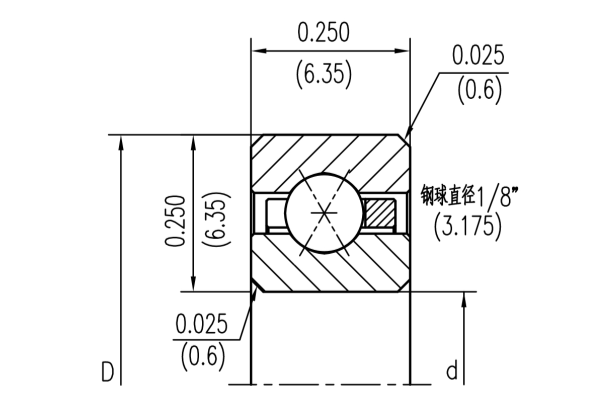
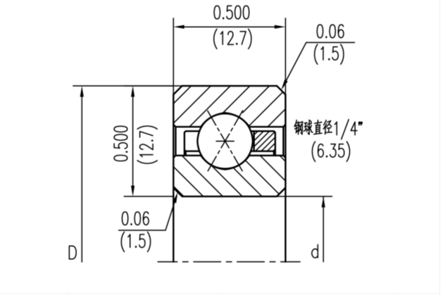
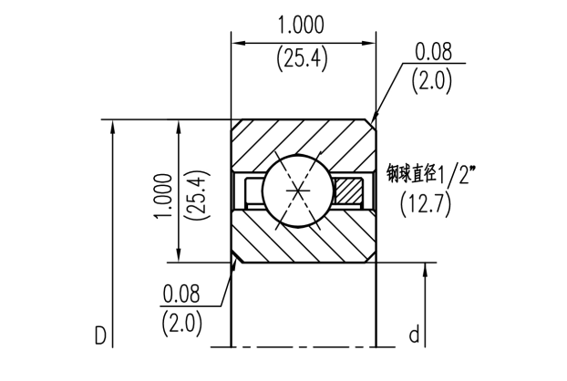
尺寸参数
产品介绍
四点接触球等截面薄壁轴承型号参数 | ||||||||
|
◆KAA SERIES
| ||||||||
| 型号 | 尺寸(mm) | 载荷(P) | 重量 | |||||
| d | D | H | Cor | Cr | Coa | Ca | Kg | |
| KAA10XP0 | 25.4 | 34.925 | 4.762 | 1290 | 670 | 3250 | 1650 | 0.012 |
| KAA15XP0 | 38.1 | 47.625 | 4.762 | 1780 | 800 | 4450 | 2050 | 0.018 |
| KAA17XP0 | 44.45 | 53.975 | 4.762 | 3100 | 2950 | 0.02 | ||
|
◆KA SERIES
| ||||||||
| 型号 | 尺寸(mm) | 载荷(P) | 重量 | |||||
| d | D | H | Cor | Cr | Coa | Ca | Kg | |
| KA020XP0 | 50.8 | 63.5 | 6.35 | 1650 | 1420 | 7600 | 3510 | 0.048 |
| KA025XP0 | 63.5 | 76.2 | 6.35 | 3690 | 1600 | 9290 | 4050 | 0.059 |
| KA030XP0 | 76.2 | 88.9 | 6.35 | 4400 | 1820 | 10980 | 4490 | 0.068 |
| KA035XP0 | 88.9 | 101.6 | 6.35 | 5070 | 2000 | 12670 | 4930 | 0.082 |
| KA040XP0 | 101.6 | 114.3 | 6.35 | 5730 | 2130 | 14310 | 5380 | 0.09 |
| KA042XP0 | 107.95 | 120.65 | 6.35 | 6090 | 2220 | 15160 | 5600 | 0.095 |
| KA045XP0 | 114.3 | 127 | 6.35 | 6400 | 2310 | 16000 | 5820 | 0.1 |
| KA047XP0 | 120.65 | 133.35 | 6.35 | 6760 | 2400 | 16850 | 6000 | 0.104 |
| KA050XP0 | 127 | 139.7 | 6.35 | 7070 | 2490 | 17690 | 6220 | 0.109 |
| KA055XP0 | 139.7 | 152.4 | 6.35 | 7780 | 2620 | 19380 | 6580 | 0.118 |
| KA060XP0 | 152.4 | 165.1 | 6.35 | 8450 | 2800 | 21070 | 6980 | 0.13 |
| KA065XP0 | 165.1 | 177.8 | 6.35 | 9110 | 2930 | 22760 | 7330 | 0.14 |
| KA070XP0 | 177.8 | 190.5 | 6.35 | 9780 | 3070 | 24450 | 7690 | 0.15 |
| KA075XP0 | 190.5 | 203.2 | 6.35 | 10450 | 3200 | 26140 | 8050 | 0.16 |
| KA080XP0 | 203.2 | 215.9 | 6.35 | 11110 | 3330 | 27830 | 8400 | 0.172 |
| KA090XP0 | 228.6 | 241.3 | 6.35 | 12490 | 3600 | 31200 | 9070 | 0.2 |
| KA100XP0 | 254 | 266.7 | 6.35 | 13820 | 3870 | 34580 | 9690 | 0.227 |
| KA110XP0 | 279.4 | 292.1 | 6.35 | 15160 | 4130 | 37960 | 10310 | 0.236 |
| KA120XP0 | 304.8 | 317.5 | 6.35 | 16540 | 4360 | 41340 | 10890 | 0.254 |
|
◆KB SERIES
| ||||||||
| 型号 | 尺寸(mm) | 载荷(P) | 重量 | |||||
| d | D | H | Cor | Cr | Coa | Ca | Kg | |
| KB020XP0 | 50.8 | 66.675 | 7.938 | 4130 | 2000 | 10400 | 5020 | 0.073 |
| KB025XP0 | 63.5 | 79.375 | 7.938 | 5070 | 2310 | 12620 | 5730 | 0.091 |
| KB030XP0 | 76.2 | 92.075 | 7.938 | 5960 | 2580 | 14890 | 6400 | 0.109 |
| KB035XP0 | 88.9 | 104.775 | 7.938 | 6850 | 2800 | 17160 | 7070 | 0.125 |
| KB040XP0 | 101.6 | 117.475 | 7.938 | 7780 | 3070 | 19430 | 7650 | 0.14 |
| KB042XP0 | 107.95 | 123.825 | 7.938 | 8130 | 3160 | 20310 | 7910 | 0.147 |
| KB045XP0 | 114.3 | 130.175 | 7.938 | 8670 | 3290 | 21690 | 8220 | 0.16 |
| KB047XP0 | 120.65 | 136.525 | 7.938 | 9020 | 3380 | 22580 | 8450 | 0.163 |
| KB050XP0 | 127 | 142.875 | 7.938 | 9560 | 3510 | 23910 | 8800 | 0.172 |
| PKB055XP0 | 139.7 | 155.575 | 7.938 | 10490 | 3730 | 26180 | 9340 | 0.186 |
| KB060XP0 | 152.4 | 168.275 | 7.938 | 11380 | 3960 | 28450 | 9870 | 0.205 |
| KB065XP0 | 165.1 | 180.975 | 7.938 | 12270 | 4130 | 30720 | 10400 | 0.216 |
| KB070XP0 | 177.8 | 193.675 | 7.938 | 13200 | 4360 | 32980 | 10890 | 0.232 |
| KB075XP0 | 190.5 | 206.375 | 7.938 | 14090 | 4530 | 35200 | 11380 | 0.25 |
| KB080XP0 | 203.2 | 219.075 | 7.938 | 14980 | 4760 | 37470 | 11870 | 0.262 |
| KB090XP0 | 228.6 | 244.475 | 7.938 | 16800 | 5110 | 42000 | 12800 | 0.3 |
| KB100XP0 | 254 | 269.875 | 7.938 | 18620 | 5470 | 46500 | 13690 | 0.331 |
| KB110XP0 | 279.4 | 295.275 | 7.938 | 20400 | 5820 | 51030 | 14580 | 0.36 |
| KB120XP0 | 304.8 | 320.675 | 7.938 | 22230 | 6180 | 55560 | 15420 | 0.39 |
| KB140XP0 | 355.6 | 371.475 | 7.938 | 25830 | 6800 | 64590 | 17070 | 0.476 |
| KB160XP0 | 406.4 | 422.275 | 7.938 | 29430 | 7420 | 73610 | 18630 | 0.544 |
| KB180XP0 | 457.2 | 473.075 | 7.938 | 33070 | 8050 | 82630 | 20090 | 0.612 |
| KB200XP0 | 508 | 523.875 | 7.938 | 36670 | 8620 | 91660 | 21560 | 0.68 |
|
◆KX SERIES
| ||||||||
| 型号 | 尺寸(mm) | 载荷(P) | 重量 | |||||
| d | D | H | Cor | Cr | Coa | Ca | Kg | |
| KX040XP0 | 101.6 | 120.65 | 9.525 | 9340 | 3910 | 23380 | 9820 | 0.204 |
| KX042XP0 | 107.95 | 127 | 9.525 | 9870 | 4090 | 24710 | 10180 | 0.213 |
| KX045XP0 | 114.3 | 133.35 | 9.525 | 10400 | 4220 | 26050 | 10580 | 0.225 |
| KX047XP0 | 120.65 | 139.7 | 9.525 | 10940 | 4360 | 27380 | 10940 | 0.235 |
| KX050XP0 | 127 | 146.05 | 9.525 | 11510 | 4490 | 28720 | 11290 | 0.263 |
| KX055XP0 | 139.7 | 158.75 | 9.525 | 12580 | 4800 | 31380 | 11960 | 0.268 |
| KX060XP0 | 152.4 | 171.45 | 9.525 | 13650 | 5070 | 34050 | 12620 | 0.295 |
| KX065XP0 | 165.1 | 184.15 | 9.525 | 14710 | 5330 | 36760 | 13290 | 0.312 |
| KX070XP0 | 177.8 | 196.85 | 9.525 | 15780 | 5560 | 39430 | 13910 | 0.34 |
| KX075XP0 | 190.5 | 209.55 | 9.525 | 16850 | 5820 | 42090 | 14540 | 0.36 |
| KX080XP0 | 203.2 | 222.25 | 9.525 | 17910 | 6050 | 44760 | 15160 | 0.387 |
| KX090XP0 | 228.6 | 247.65 | 9.525 | 20050 | 6530 | 50100 | 16310 | 0.45 |
| KX100XP0 | 254 | 273.05 | 9.525 | 22180 | 6980 | 55430 | 17470 | 0.481 |
| KX110XP0 | 279.4 | 298.45 | 9.525 | 24310 | 7420 | 60810 | 18580 | 0.526 |
| KX120XP0 | 304.8 | 323.85 | 9.525 | 26450 | 7870 | 66140 | 19650 | 0.567 |
| KX140XP0 | 355.6 | 374.65 | 9.525 | 30720 | 8670 | 76810 | 21740 | 0.689 |
| KX160XP0 | 406.4 | 425.45 | 9.525 | 35030 | 9470 | 87520 | 23690 | 0.785 |
| KX180XP0 | 457.2 | 476.25 | 9.525 | 39290 | 10220 | 98190 | 25600 | 0.88 |
| KX200XP0 | 508 | 527.05 | 9.525 | 43560 | 10980 | 108900 | 27430 | 0.98 |
| KX250XP0 | 635 | 654.05 | 9.525 | |||||
|
◆KD SERIES
| ||||||||
| 型号 | 尺寸(mm) | 载荷(P) | 重量 | |||||
| d | D | H | Cor | Cr | Coa | Ca | Kg | |
| KD040XP0 | 101.6 | 127 | 12.7 | 13690 | 6270 | 34230 | 15650 | 0.366 |
| KD042XP0 | 107.95 | 133.35 | 12.7 | 14180 | 6400 | 35470 | 16000 | 0.386 |
| KD045XP0 | 114.3 | 139.7 | 12.7 | 15200 | 6710 | 38010 | 16760 | 0.405 |
| KD047XP0 | 120.65 | 146.05 | 12.7 | 15690 | 6850 | 39290 | 17160 | 0.426 |
| KD050XP0 | 127 | 152.4 | 12.7 | 16710 | 7160 | 41830 | 17870 | 0.454 |
| KD055XP0 | 139.7 | 165.1 | 12.7 | 18230 | 7560 | 45610 | 18940 | 0.485 |
| KD060XP0 | 152.4 | 177.8 | 12.7 | 19780 | 8000 | 49430 | 19960 | 0.526 |
| KD065XP0 | 165.1 | 190.5 | 12.7 | 21290 | 8400 | 53210 | 20980 | 0.566 |
| KD070XP0 | 177.8 | 203.2 | 12.7 | 22800 | 8800 | 57030 | 21960 | 0.606 |
| KD075XP0 | 190.5 | 215.9 | 12.7 | 24310 | 9160 | 60810 | 22940 | 0.65 |
| KD080XP0 | 203.2 | 228.6 | 12.7 | 25830 | 9560 | 64630 | 23870 | 0.694 |
| KD090XP0 | 228.6 | 254 | 12.7 | 28900 | 10310 | 72230 | 25740 | 0.78 |
| KD100XP0 | 254 | 279.4 | 12.7 | 31920 | 10980 | 79830 | 27520 | 0.853 |
| KD110XP0 | 279.4 | 304.8 | 12.7 | 34980 | 11690 | 87430 | 29200 | 0.934 |
| KD120XP0 | 304.8 | 330.2 | 12.7 | 38010 | 12360 | 95030 | 30890 | 1.02 |
| KD140XP0 | 355.6 | 381 | 12.7 | 44090 | 13650 | 110240 | 34090 | 1.24 |
| KD160XP0 | 406.4 | 431.8 | 12.7 | 50180 | 14890 | 125440 | 37160 | 1.41 |
| KD180XP0 | 457.2 | 482.6 | 12.7 | 56230 | 16050 | 140640 | 40140 | 1.58 |
| KD200XP0 | 508 | 533.4 | 12.7 | 62320 | 17200 | 155840 | 42980 | 1.75 |
|
◆KF SERIES
| ||||||||
| 型号 | 尺寸(mm) | 载荷(P) | 重量 | |||||
| d | D | H | Cor | Cr | Coa | Ca | Kg | |
| KF040XP0 | 101.6 | 139.7 | 19.05 | 23830 | 12140 | 59560 | 30360 | 0.875 |
| KF042XP0 | 107.95 | 146.05 | 19.05 | 25070 | 12580 | 62720 | 31430 | 0.93 |
| KF045XP0 | 114.3 | 152.4 | 19.05 | 26360 | 12980 | 65830 | 32450 | 0.975 |
| KF047XP0 | 120.65 | 158.75 | 19.05 | 27600 | 13380 | 68990 | 33470 | 1.04 |
| KF050XP0 | 127 | 165.1 | 19.05 | 28850 | 13780 | 72100 | 34490 | 1.09 |
| KF055XP0 | 139.7 | 177.8 | 19.05 | 31340 | 14580 | 78370 | 36450 | 1.18 |
| KF060XP0 | 152.4 | 190.5 | 19.05 | 33870 | 15340 | 84680 | 38360 | 1.24 |
| KF065XP0 | 165.1 | 203.2 | 19.05 | 36360 | 16090 | 90950 | 40230 | 1.35 |
| KF070XP0 | 177.8 | 215.9 | 19.05 | 38890 | 16850 | 97210 | 42050 | 1.45 |
| KF075XP0 | 190.5 | 228.6 | 19.05 | 41380 | 17560 | 103480 | 43870 | 1.56 |
| KF080XP0 | 203.2 | 241.3 | 19.05 | 43920 | 18230 | 109750 | 45610 | 1.66 |
| KF090XP0 | 228.6 | 266.7 | 19.05 | 48900 | 19600 | 122280 | 49030 | 1.81 |
| KF100XP0 | 254 | 292.1 | 19.05 | 53920 | 20940 | 134820 | 52320 | 2.02 |
| KF110XP0 | 279.4 | 317.5 | 19.05 | 58940 | 22230 | 147350 | 55520 | 2.18 |
| KF120XP0 | 304.8 | 342.9 | 19.05 | 63960 | 23470 | 159890 | 58630 | 2.38 |
| KF140XP0 | 355.6 | 393.7 | 19.05 | 74010 | 25830 | 185000 | 64590 | 2.72 |
| KF160XP0 | 406.4 | 444.5 | 19.05 | 84010 | 28140 | 210070 | 70320 | 3.22 |
| KF180XP0 | 457.2 | 495.3 | 19.05 | 94060 | 30320 | 235140 | 75830 | 3.58 |
| KF200XP0 | 508 | 546.1 | 19.05 | 104100 | 32450 | 260260 | 81120 | 4.04 |
|
◆KG SERIES
| ||||||||
| 型号 | 尺寸(mm) | 载荷(P) | 重量 | |||||
| d | D | H | Cor | Cr | Coa | Ca | Kg | |
| KG040XP0 | 101.6 | 152.4 | 25.4 | 36490 | 20000 | 91210 | 50050 | 1.65 |
| KG042XP0 | 107.95 | 158.75 | 25.4 | 36490 | 20000 | 91210 | 50050 | 1.75 |
| KG045XP0 | 114.3 | 165.1 | 25.4 | 38940 | 20900 | 97300 | 52230 | 1.81 |
| KG047XP0 | 120.65 | 171.45 | 25.4 | 41340 | 21740 | 103390 | 54360 | 1.91 |
| KG050XP0 | 127 | 177.8 | 25.4 | 43780 | 22580 | 109440 | 56500 | 2.02 |
| KG055XP0 | 139.7 | 190.5 | 25.4 | 46230 | 23430 | 115530 | 58590 | 2.17 |
| KG060XP0 | 152.4 | 203.2 | 25.4 | 51070 | 25030 | 127710 | 62630 | 2.31 |
| KG065XP0 | 165.1 | 215.9 | 25.4 | 53520 | 25830 | 133800 | 64590 | 2.47 |
| KG070XP0 | 177.8 | 228.6 | 25.4 | 58360 | 27380 | 145930 | 68450 | 2.67 |
| KG075XP0 | 190.5 | 241.3 | 25.4 | 60810 | 28140 | 152020 | 70320 | 2.83 |
| KG080XP0 | 203.2 | 254 | 25.4 | 65650 | 29600 | 164200 | 74010 | 3 |
| KG090XP0 | 228.6 | 279.4 | 25.4 | 72990 | 31780 | 182420 | 79430 | 3.3 |
| KG100XP0 | 254 | 304.8 | 25.4 | 80280 | 33870 | 200650 | 84630 | 3.65 |
| KG110XP0 | 279.4 | 330.2 | 25.4 | 87570 | 35870 | 218920 | 89700 | 3.96 |
| KG120XP0 | 304.8 | 355.6 | 25.4 | 94860 | 37830 | 237140 | 94590 | 4.32 |
| KG140XP0 | 355.6 | 406.4 | 25.4 | 109440 | 41600 | 273630 | 104060 | 4.96 |
| KG160XP0 | 406.4 | 457.2 | 25.4 | 124060 | 45250 | 310130 | 113130 | 5.65 |
| KG180XP0 | 457.2 | 508 | 25.4 | 138640 | 48720 | 346620 | 121840 | 6.28 |
| KG200XP0 | 508 | 558.8 | 25.4 | 153220 | 52100 | 383070 | 130240 | 7.53 |
| KG250XP0 | 635 | 685.8 | 25.4 | 300000 | 100000 | 8.85 | ||
| KG300XP0 | 762 | 812.8 | 25.4 | 360000 | 107000 | 10.57 | ||
| KG350XP0 | 889 | 939.8 | 25.4 | 420000 | 113000 | 12.3 | ||
| KG400XP0 | 1016 | 1066.8 | 25.4 | |||||

18568992278






