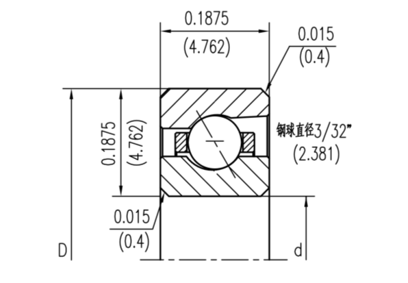
角接触球等截面薄壁轴承(A型)
尺寸参数
产品介绍
角接触球等截面薄壁轴承的型号参数
KAA
型号 |
尺寸(mm) |
载荷(N) |
重量 |
|||||||
d |
D |
H |
Cor |
Cr |
Coa |
Ca |
Kg |
|||
KAA10AR0 |
25.400 |
34.925 |
4.762 |
1510 |
670 |
4310 |
2000 |
0.011 |
||
KAA15AR0 |
38.100 |
47.625 |
4.762 |
2130 |
890 |
6130 |
3250 |
0.017 |
||
KAA17AR0 |
44.450 |
53.975 |
4.762 |
2220 |
2060 |
0.020 |
||||

型号 |
尺寸(mm) |
载荷(N) |
重量 |
|||||||
d |
D |
H |
Cor |
Cr |
Coa |
Ca |
Kg |
|||
KA020AR0 |
50.800 |
63.500 |
6.350 |
3510 |
1470 |
10140 |
4270 |
0.045 |
||
KA025AR0 |
63.500 |
76.200 |
6.350 |
4270 |
1690 |
12360 |
4890 |
0.054 |
||
KA030AR0 |
76.200 |
88.900 |
6.350 |
5070 |
1910 |
14620 |
5470 |
0.064 |
||
KA035AR0 |
88.900 |
101.600 |
6.350 |
5830 |
2090 |
16850 |
6000 |
0.077 |
||
KA040AR0 |
101.600 |
114.300 |
6.350 |
6630 |
2270 |
19110 |
6530 |
0.086 |
||
KA042AR0 |
107.950 |
120.650 |
6.350 |
7020 |
2360 |
20230 |
6800 |
0.091 |
||
KA045AR0 |
114.300 |
127.000 |
6.350 |
7380 |
2450 |
21380 |
7020 |
0.095 |
||
KA047AR0 |
120.650 |
133.350 |
6.350 |
7780 |
2530 |
22490 |
7290 |
0.100 |
||
KA050AR0 |
127.000 |
139.700 |
6.350 |
8180 |
2620 |
23600 |
7510 |
0.104 |
||
KA055AR0 |
139.700 |
152.400 |
6.350 |
8980 |
2760 |
25870 |
8000 |
0.113 |
||
KA060AR0 |
152.400 |
165.100 |
6.350 |
9740 |
2930 |
28090 |
8450 |
0.127 |
||
KA065AR0 |
165.100 |
177.800 |
6.350 |
10540 |
3070 |
30360 |
8890 |
0.136 |
||
KA070AR0 |
177.800 |
190.500 |
6.350 |
11290 |
3250 |
32630 |
9340 |
0.145 |
||
KA075AR0 |
190.500 |
203.200 |
6.350 |
12090 |
3380 |
34850 |
9740 |
0.154 |
||
KA080AR0 |
203.200 |
215.900 |
6.350 |
12850 |
3510 |
37120 |
10140 |
0.163 |
||
KA090AR0 |
228.600 |
241.300 |
6.350 |
14400 |
3780 |
41610 |
10980 |
0.186 |
||
KA100AR0 |
254.000 |
266.700 |
6.350 |
15960 |
4050 |
46100 |
11740 |
0.204 |
||
KA110AR0 |
279.400 |
292.100 |
6.350 |
17510 |
4310 |
50580 |
12490 |
0.227 |
||
KA120AR0 |
304.800 |
317.500 |
6.350 |
19070 |
4580 |
55070 |
13200 |
0.245 |
||

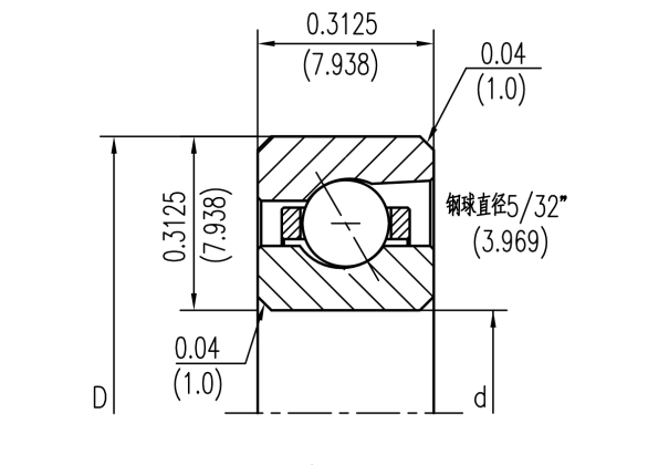
KB角接触球等截面薄壁轴承的型号参数
型号 |
尺寸(mm) |
载荷(N) |
重量 |
|||||||
d |
D |
H |
Cor |
Cr |
Coa |
Ca |
Kg |
|||
KB020AR0 |
50.800 |
66.675 |
7.938 |
4850 |
2130 |
14000 |
6130 |
0.068 |
||
KB025AR0 |
63.500 |
79.375 |
7.938 |
5960 |
2450 |
17160 |
7070 |
0.086 |
||
KB030AR0 |
76.200 |
92.075 |
7.938 |
6890 |
2710 |
19870 |
7780 |
0.100 |
||
KB035AR0 |
88.900 |
104.775 |
7.938 |
7960 |
2980 |
23030 |
8580 |
0.122 |
||
KB040AR0 |
101.600 |
117.475 |
7.938 |
9070 |
3250 |
26180 |
9340 |
0.136 |
||
KB042AR0 |
107.950 |
123.825 |
7.938 |
9560 |
3330 |
27560 |
9650 |
0.141 |
||
KB045AR0 |
114.300 |
130.175 |
7.938 |
10000 |
3470 |
28890 |
9960 |
0.154 |
||
KB047AR0 |
120.650 |
136.525 |
7.938 |
10620 |
3600 |
30720 |
10400 |
0.159 |
||
KB050AR0 |
127.000 |
142.875 |
7.938 |
11110 |
3690 |
32050 |
10710 |
0.168 |
||
KB055AR0 |
139.700 |
155.575 |
7.938 |
12180 |
3960 |
35200 |
11380 |
0.181 |
||
KB060AR0 |
152.400 |
168.275 |
7.938 |
13290 |
4180 |
38360 |
12050 |
0.200 |
||
KB065AR0 |
165.100 |
180.975 |
7.938 |
14220 |
4360 |
41070 |
12620 |
0.213 |
||
KB070AR0 |
177.800 |
193.675 |
7.938 |
15340 |
4580 |
44270 |
13250 |
0.227 |
||
KB075AR0 |
190.500 |
206.375 |
7.938 |
16450 |
4800 |
47430 |
13870 |
0.245 |
||
KB080AR0 |
203.200 |
219.075 |
7.938 |
17510 |
5020 |
50580 |
14490 |
0.259 |
||
KB090AR0 |
228.600 |
244.475 |
7.938 |
19560 |
5420 |
56450 |
15600 |
0.290 |
||
KB100AR0 |
254.000 |
269.875 |
7.938 |
21740 |
5780 |
62760 |
16710 |
0.322 |
||
KB110AR0 |
279.400 |
295.275 |
7.938 |
23780 |
6130 |
68630 |
17780 |
0.354 |
||
KB120AR0 |
304.800 |
320.675 |
7.938 |
25960 |
6530 |
74940 |
18850 |
0.386 |
||
KB140AR0 |
355.600 |
371.475 |
7.938 |
30050 |
7200 |
86680 |
20760 |
0.445 |
||
KB160AR0 |
406.400 |
422.275 |
7.938 |
34270 |
7870 |
98900 |
22670 |
0.509 |
||
KB180AR0 |
457.200 |
473.075 |
7.938 |
38490 |
8490 |
111080 |
24490 |
0.572 |
||
KB200AR0 |
508.000 |
523.875 |
7.938 |
42720 |
9110 |
123260 |
26230 |
0.635 |
||

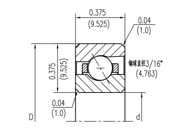
KC角接触球等截面薄壁轴承的型号参数
型号 |
尺寸(mm) |
载荷(N) |
重量 |
|||||||
d |
D |
H |
Cor |
Cr |
Coa |
Ca |
Kg |
|||
KC040AR0 |
101.600 |
120.650 |
9.525 |
11340 |
4270 |
32720 |
12310 |
0.200 |
||
KC042AR0 |
107.900 |
127.000 |
9.525 |
12050 |
4450 |
34760 |
12800 |
0.209 |
||
KC045AR0 |
114.300 |
133.350 |
9.525 |
12710 |
4620 |
36760 |
13290 |
0.222 |
||
KC047AR0 |
120.650 |
139.700 |
9.525 |
13420 |
4760 |
38760 |
13780 |
0.231 |
||
KC050AR0 |
127.000 |
146.050 |
9.525 |
14140 |
4930 |
40760 |
14220 |
0.245 |
||
KC055AR0 |
139.700 |
158.750 |
9.525 |
15290 |
5200 |
44090 |
14980 |
0.263 |
||
KC060AR0 |
152.400 |
171.450 |
9.525 |
16670 |
5510 |
48100 |
15910 |
0.290 |
||
KC065AR0 |
165.100 |
184.150 |
9.525 |
18050 |
5820 |
52100 |
16760 |
0.308 |
||
KC070AR0 |
177.800 |
196.850 |
9.525 |
19200 |
6050 |
55430 |
17490 |
0.336 |
||
KC075AR0 |
190.500 |
209.550 |
9.525 |
20580 |
6360 |
59470 |
18310 |
0.354 |
||
KC080AR0 |
203.200 |
222.300 |
9.525 |
22010 |
6620 |
63480 |
19110 |
0.381 |
||
KC090AR0 |
228.600 |
247.650 |
9.525 |
24540 |
7110 |
70810 |
20580 |
0.445 |
||
KC100AR0 |
254.000 |
273.050 |
9.525 |
27290 |
7650 |
78810 |
22090 |
0.472 |
||
KC110AR0 |
279.400 |
298.450 |
9.525 |
29870 |
8130 |
86190 |
23470 |
0.517 |
||
KC120AR0 |
304.800 |
323.850 |
9.525 |
32400 |
8580 |
93520 |
24800 |
0.558 |
||
KC140AR0 |
355.600 |
374.650 |
9.525 |
37740 |
9510 |
108900 |
27430 |
0.649 |
||
KC160AR0 |
406.400 |
425.450 |
9.525 |
43030 |
10360 |
124240 |
29920 |
0.739 |
||
KC180AR0 |
457.200 |
476.250 |
9.525 |
48360 |
11200 |
139620 |
32360 |
0.830 |
||
KC200AR0 |
508.000 |
527.050 |
9.525 |
53470 |
11960 |
154330 |
34580 |
0.921 |
||


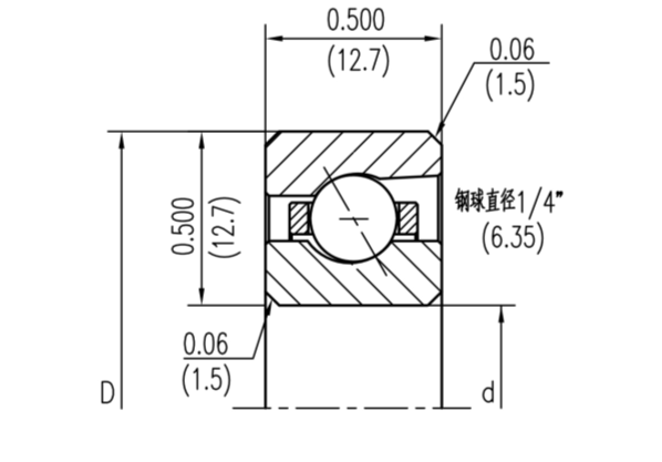
KD角接触球等截面薄壁轴承的型号参数
型号 |
尺寸(mm) |
载荷(N) |
重量 |
|||||||
d |
D |
H |
Cor |
Cr |
Coa |
Ca |
Kg |
|||
KD040AR0 |
101.600 |
127.000 |
12.700 |
15780 |
6580 |
45610 |
18940 |
0.363 |
||
KD042AR0 |
107.950 |
133.350 |
12.700 |
16670 |
6800 |
48140 |
19650 |
0.381 |
||
KD045AR0 |
114.300 |
139.700 |
12.700 |
17560 |
7020 |
50670 |
20310 |
0.400 |
||
KD047AR0 |
120.650 |
146.050 |
12.700 |
18450 |
7290 |
53210 |
20980 |
0.422 |
||
KD050AR0 |
127.000 |
152.400 |
12.700 |
19290 |
7510 |
55740 |
21650 |
0.445 |
||
KD055AR0 |
139.700 |
165.100 |
12.700 |
21070 |
7960 |
60810 |
22940 |
0.481 |
||
KD060AR0 |
152.400 |
177.800 |
12.700 |
22800 |
8400 |
65880 |
24180 |
0.522 |
||
KD065AR0 |
165.100 |
190.500 |
12.700 |
24580 |
8800 |
70940 |
25430 |
0.562 |
||
KD070AR0 |
177.800 |
203.200 |
12.700 |
26310 |
9200 |
76010 |
26630 |
0.603 |
||
KD075AR0 |
190.500 |
215.900 |
12.700 |
28090 |
9650 |
81080 |
27780 |
0.644 |
||
KD080AR0 |
203.200 |
228.600 |
12.700 |
29830 |
10050 |
86140 |
28940 |
0.689 |
||
KD090AR0 |
228.600 |
254.000 |
12.700 |
33340 |
10800 |
96280 |
31160 |
0.767 |
||
KD100AR0 |
254.000 |
279.400 |
12.700 |
36850 |
11560 |
106410 |
33340 |
0.848 |
||
KD110AR0 |
279.400 |
304.800 |
12.700 |
40360 |
12270 |
116550 |
35380 |
0.930 |
||
KD120AR0 |
304.800 |
330.200 |
12.700 |
43870 |
12980 |
126680 |
37430 |
1.010 |
||
KD140AR0 |
355.600 |
381.000 |
12.700 |
50900 |
14310 |
146950 |
41290 |
1.170 |
||
KD160AR0 |
406.400 |
431.800 |
12.700 |
57920 |
15600 |
167220 |
45030 |
1.330 |
||
KD180AR0 |
457.200 |
482.600 |
12.700 |
64940 |
16850 |
187490 |
48580 |
1.490 |
||
KD200AR0 |
508.000 |
533.400 |
12.700 |
71970 |
18050 |
207760 |
52050 |
1.660 |
||

KF角接触球等截面薄壁轴承的型号参数
型号 |
尺寸(mm) |
载荷(N) |
重量 |
|||||||
d |
D |
H |
Cor |
Cr |
Coa |
Ca |
Kg |
|||
KF040AR0 |
101.600 |
139.700 |
19.050 |
28230 |
12980 |
81520 |
37430 |
0.875 |
||
KF042AR0 |
107.950 |
146.050 |
19.050 |
29340 |
13290 |
84680 |
38360 |
0.930 |
||
KF045AR0 |
114.300 |
152.400 |
19.050 |
31520 |
13960 |
90950 |
40230 |
0.975 |
||
KF047AR0 |
120.650 |
158.750 |
19.050 |
32580 |
14270 |
94060 |
41160 |
1.040 |
||
KF050AR0 |
127.000 |
165.100 |
19.050 |
33650 |
14580 |
97210 |
42050 |
1.090 |
||
KF055AR0 |
139.700 |
177.800 |
19.050 |
36940 |
15510 |
106590 |
44720 |
1.180 |
||
KF060AR0 |
152.400 |
190.500 |
19.050 |
40180 |
16400 |
116020 |
47340 |
1.240 |
||
KF065AR0 |
165.100 |
203.200 |
19.050 |
43430 |
17290 |
125440 |
49870 |
1.350 |
||
KF070AR0 |
177.800 |
215.900 |
19.050 |
46720 |
18140 |
134820 |
52320 |
1.450 |
||
KF075AR0 |
190.500 |
228.600 |
19.050 |
48900 |
18670 |
141080 |
53920 |
1.560 |
||
KF080AR0 |
203.200 |
241.300 |
19.050 |
52140 |
19510 |
150510 |
56320 |
1.660 |
||
KF090AR0 |
228.600 |
266.700 |
19.050 |
58630 |
21110 |
169310 |
60900 |
1.810 |
||
KF100AR0 |
254.000 |
292.100 |
19.050 |
64100 |
22360 |
185000 |
64590 |
2.020 |
||
KF110AR0 |
279.400 |
317.500 |
19.050 |
70590 |
23870 |
203800 |
68900 |
2.180 |
||
KF120AR0 |
304.800 |
342.900 |
19.050 |
76010 |
25070 |
219490 |
72410 |
2.380 |
||
KF140AR0 |
355.600 |
393.700 |
19.050 |
87970 |
27650 |
253990 |
79790 |
2.720 |
||
KF160AR0 |
406.400 |
444.500 |
19.050 |
99920 |
30100 |
288440 |
86860 |
3.220 |
||
KF180AR0 |
457.200 |
495.300 |
19.050 |
112950 |
32670 |
326090 |
94280 |
3.580 |
||
KF200AR0 |
508.000 |
546.100 |
19.050 |
124910 |
34940 |
360580 |
100810 |
4.040 |
||

型号 |
尺寸(mm) |
载荷(N) |
重量 |
|||||||
d |
D |
H |
Cor |
Cr |
Coa |
Ca |
Kg |
|||
KG040AR0 |
101.600 |
152.400 |
25.400 |
42140 |
20980 |
121620 |
60590 |
1.640 |
||
KG042AR0 |
107.950 |
158.750 |
25.400 |
44230 |
21690 |
227710 |
62630 |
1.740 |
||
KG045AR0 |
114.300 |
165.100 |
25.400 |
46360 |
22360 |
133800 |
64590 |
1.790 |
||
KG047AR0 |
120.650 |
171.450 |
25.400 |
48450 |
23030 |
139840 |
66540 |
1.890 |
||
KG050AR0 |
127.000 |
177.800 |
25.400 |
50540 |
23690 |
145930 |
68450 |
2.000 |
||
KG055AR0 |
139.700 |
190.500 |
25.400 |
54760 |
25030 |
158110 |
72190 |
2.150 |
||
KG060AR0 |
152.400 |
203.200 |
25.400 |
58990 |
26270 |
170240 |
75830 |
2.300 |
||
KG065AR0 |
165.100 |
215.900 |
25.400 |
63210 |
27520 |
182420 |
79430 |
2.450 |
||
KG070AR0 |
177.800 |
228.600 |
25.400 |
67390 |
28720 |
194600 |
82900 |
2.660 |
||
KG075AR0 |
190.500 |
241.300 |
25.400 |
71610 |
29920 |
206740 |
86320 |
2.810 |
||
KG080AR0 |
203.200 |
254.000 |
25.400 |
75830 |
31070 |
218920 |
89700 |
2.970 |
||
KG090AR0 |
228.600 |
279.400 |
25.400 |
84280 |
33340 |
243230 |
96190 |
3.270 |
||
KG100AR0 |
254.000 |
304.800 |
25.400 |
92680 |
35520 |
267550 |
102500 |
3.630 |
||
KG110AR0 |
279.400 |
330.200 |
25.400 |
101120 |
37650 |
291860 |
108640 |
3.940 |
||
KG120AR0 |
304.800 |
355.600 |
25.400 |
109530 |
39690 |
316220 |
114590 |
4.300 |
||
KG140AR0 |
355.600 |
406.400 |
25.400 |
126370 |
43650 |
364850 |
126060 |
4.940 |
||
KG160AR0 |
406.400 |
457.200 |
25.400 |
143220 |
47470 |
413470 |
137040 |
5.620 |
||
KG180AR0 |
457.200 |
508.000 |
25.400 |
160110 |
51120 |
462280 |
147570 |
6.260 |
||
KG200AR0 |
508.000 |
558.800 |
25.400 |
176960 |
54670 |
510730 |
157750 |
6.890 |
||


18568992278