CRBT交叉滚子轴承
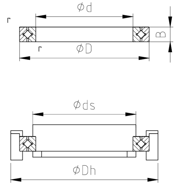
尺寸参数
产品介绍
CRBT交叉滚子轴承是一种超薄型、高精度滚动轴承,内外圈整体结构紧凑,滚子以90°交叉排列,能同时承受径向、轴向及力矩载荷。该系列轴承具有截面高度低、回转精度高、刚性强等特点,广泛应用于人形机器人、旋转工作台、精密机床、关节模组等对安装空间、重量及精度要求极高的场合。我们的技术部门会协助您进行选型及咨询,请联系:135 0379 0601(微信同号)。

CRBT RAU薄型交叉滚子轴承
公称型号 |
主要尺寸 mm |
安装尺寸mm |
基本额定载荷(径向) |
质量 |
对应型号 |
|||||
内径 |
外径 |
宽度 |
ds |
Dh |
C |
Co |
THK |
|||
d |
D |
B |
rmin |
kN |
kN |
g |
||||
CRBT105AC1P5 |
10 |
21 |
5 |
0.15 |
12.5 |
17 |
1.12 |
0.809 |
9 |
RAU1005C0P5 |
CRBT155AC1P5 |
15 |
26 |
5 |
0.15 |
17.5 |
22 |
1.32 |
1.1 |
12 |
RAU1505C0P5 |
CRBT205AC1P5 |
20 |
31 |
5 |
0.15 |
22.5 |
27 |
1.49 |
1.4 |
15 |
RAU2005C0P5 |
CRBT255AC1P5 |
25 |
36 |
5 |
0.15 |
27.5 |
32 |
1.65 |
1.77 |
18 |
RAU2505C0P5 |
CRBT305AC1P5 |
30 |
41 |
5 |
0.15 |
32.5 |
37 |
1.89 |
2.14 |
21 |
RAU3005C0P5 |
CRBT355AC1P5 |
35 |
46 |
5 |
0.15 |
37.5 |
42 |
2.05 |
2.42 |
24 |
RAU3505C0P5 |
CRBT405AC1P5 |
40 |
51 |
5 |
0.15 |
42.5 |
47 |
2.14 |
2.74 |
27 |
RAU4005C0P5 |
CRBT455AC1P5 |
45 |
56 |
5 |
0.15 |
47.5 |
52 |
2.3 |
3.09 |
29 |
RAU4505C0P5 |
CRBT505AC1P5 |
50 |
61 |
5 |
0.15 |
52.5 |
57 |
2.43 |
3.49 |
32 |
RAU5005C0P5 |
CRBT555AC1P5 |
55 |
66 |
5 |
0.15 |
57.5 |
62 |
2.53 |
3.79 |
35 |
RAU5505C0P5 |
CRBT605AC1P5 |
60 |
71 |
5 |
0.15 |
62.5 |
67 |
2.63 |
4.09 |
38 |
RAU6005C0P5 |
CRBT655AC1P5 |
65 |
76 |
5 |
0.15 |
67.5 |
72 |
2.71 |
4.29 |
41 |
RAU6505C0P5 |
CRBT705AC1P5 |
70 |
81 |
5 |
0.15 |
72.5 |
77 |
2.81 |
4.68 |
44 |
RAU7005C0P5 |
CRBT755AC1P5 |
75 |
86 |
5 |
0.15 |
77.5 |
82 |
2.9 |
5.05 |
47 |
RAU7505C0P5 |
80 |
91 |
5 |
0.15 |
82.5 |
87 |
3.05 |
5.43 |
50 |
RAU8005C0P5 |
|
85 |
96 |
5 |
0.15 |
87.5 |
92 |
3.11 |
5.7 |
53 |
RAU8505C0P5 |
|
90 |
101 |
5 |
0.15 |
92.5 |
97 |
3.19 |
6.03 |
56 |
RAU9005C0P5 |
|
95 |
106 |
5 |
0.15 |
97.5 |
102 |
3.22 |
6.31 |
59 |
RAU9505C0P5 |
|

18568992278